
در حال بارگزاری...
بدلیل نوسانات بازار گزینه پرداخت آنلاین موقطا قطع میباشد، لطفا برای پرداخت از گزینه کارت به کارت استفاده کنید

در حال بارگزاری...




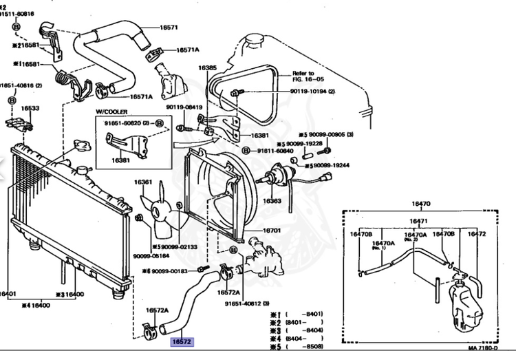
1) معرفی فنی قطعه
شیلنگ پایین رادیاتور (Radiator Lower Hose) مسیر برگشت آب خنکشده از رادیاتور به واترپمپ است.
در موتور 4A‑L / 4A‑LC کرونای 78–85، این شیلنگ معمولاً فرم S‑Curve دارد تا بدون لهشدن از زیر سینی جلو عبور کند. جنس آن EPDM تقویتشده با مقاومت بالا در برابر دمای 110–125°C و فشار 1.1 بار است.
2) جدول فیتمنت و سازگاری (Fitment)
| Part Name | Chassis | Engine | Years |
|---|---|---|---|
| Lower Radiator Hose | Corona T130 | 4A‑L / 4A‑LC | 1978–1982 |
| Lower Radiator Hose | Corona T140 | 4A‑L / 4A‑LC | 1982–1985 |
| Lower Hose (Carburetor) | 1.6L | 4A‑L | 78–85 |
3) شماره فنی اصلی (OEM Part Numbers)
| Component | OEM Number | Notes |
|---|---|---|
| Lower Radiator Hose | 16572‑16020 | شماره اصلی و استاندارد |
| Lower Hose (Alt.) | 16572‑16010 | دیدهشده روی برخی مدلهای T130 |
| Lower Hose (Late) | 16572‑16030 | مورد استفاده در سریهای انتهایی T140 |
| Upper Radiator Hose | 16571‑16020 | شیلنگ بالایی مکمل |
4) ویژگیهای فنی و مزایا
• EPDM با مقاومت حرارتی 125°C
• فرم دقیق S‑Curve مطابق شاسی T130/T140
• مقاوم در برابر فشار 1.1–1.3 Bar
• عدم چینخوردگی در دبی بالا
• سازگار با ضدیخ HOAT/Hybrid
• نصب مستقیم بدون نیاز به اصلاح طول یا برش
5) جدول علائم خرابی و نیاز به تعویض
| علامت | علت فنی | نتیجه |
|---|---|---|
| بادکردگی | ضعف بافت دیوار داخلی | احتمال پارگی ناگهانی |
| نشتی آب در اتصال | خشکشدن EPDM | افت فشار مدار |
| پایین آمدن سطح کولانت | ترک مویی | جوشآوردن موتور |
| شلشدن بستها | تغییر قطر شیلنگ | نشت تدریجی |
| چروکشدن شیلنگ | افت ساختاری | کمشدن دبی و گرمشدن موتور |
6) برندهای پیشنهادی بازار ایران
| Brand | Country | Quality | Notes |
|---|---|---|---|
| Toyota Genuine | Japan | ممتاز | کمیاب برای Corona |
| Aisin | Japan | OEM | بهترین کیفیت موجود |
| GMB | Thailand | خوب | دوام بالا |
| Meyle HD | Germany | بسیار خوب | لایه تقویتی قوی |
| Local EPDM | Iran | اقتصادی | مناسب خودروهای کارکرده |
7) نکات نصب حرفهای
• موتور کاملاً سرد باشد
• دهانه واترپمپ و رادیاتور پاک و بدون زنگزدگی باشد
• از بست استیل مرغوب استفاده شود
• خم اصلی شیلنگ باید بدون فشار یا لمس با سینی جلو قرار گیرد
• بعد از نصب، سیستم هواگیری کامل انجام شود