



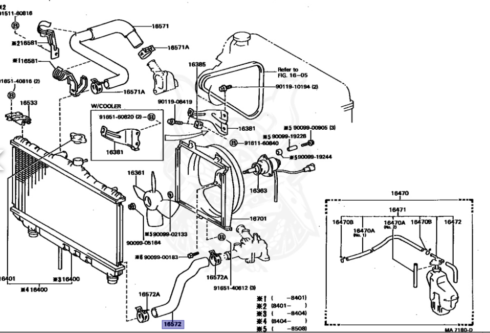
شیلنگ پایین رادیاتور کرونا 4AL 78-85
1) معرفی فنی قطعه
شیلنگ پایین رادیاتور (Radiator Lower Hose) مسیر برگشت آب خنکشده از رادیاتور به واترپمپ است.
در موتور 4A‑L / 4A‑LC کرونای 78–85، این شیلنگ معمولاً فرم S‑Curve دارد تا بدون لهشدن از زیر سینی جلو عبور کند. جنس آن EPDM تقویتشده با مقاومت بالا در برابر دمای 110–125°C و فشار 1.1 بار است.
2) جدول فیتمنت و سازگاری (Fitment)
| Part Name | Chassis | Engine | Years |
|---|---|---|---|
| Lower Radiator Hose | Corona T130 | 4A‑L / 4A‑LC | 1978–1982 |
| Lower Radiator Hose | Corona T140 | 4A‑L / 4A‑LC | 1982–1985 |
| Lower Hose (Carburetor) | 1.6L | 4A‑L | 78–85 |
3) شماره فنی اصلی (OEM Part Numbers)
| Component | OEM Number | Notes |
|---|---|---|
| Lower Radiator Hose | 16572‑16020 | شماره اصلی و استاندارد |
| Lower Hose (Alt.) | 16572‑16010 | دیدهشده روی برخی مدلهای T130 |
| Lower Hose (Late) | 16572‑16030 | مورد استفاده در سریهای انتهایی T140 |
| Upper Radiator Hose | 16571‑16020 | شیلنگ بالایی مکمل |
4) ویژگیهای فنی و مزایا
• EPDM با مقاومت حرارتی 125°C
• فرم دقیق S‑Curve مطابق شاسی T130/T140
• مقاوم در برابر فشار 1.1–1.3 Bar
• عدم چینخوردگی در دبی بالا
• سازگار با ضدیخ HOAT/Hybrid
• نصب مستقیم بدون نیاز به اصلاح طول یا برش
5) جدول علائم خرابی و نیاز به تعویض
| علامت | علت فنی | نتیجه |
|---|---|---|
| بادکردگی | ضعف بافت دیوار داخلی | احتمال پارگی ناگهانی |
| نشتی آب در اتصال | خشکشدن EPDM | افت فشار مدار |
| پایین آمدن سطح کولانت | ترک مویی | جوشآوردن موتور |
| شلشدن بستها | تغییر قطر شیلنگ | نشت تدریجی |
| چروکشدن شیلنگ | افت ساختاری | کمشدن دبی و گرمشدن موتور |
6) برندهای پیشنهادی بازار ایران
| Brand | Country | Quality | Notes |
|---|---|---|---|
| Toyota Genuine | Japan | ممتاز | کمیاب برای Corona |
| Aisin | Japan | OEM | بهترین کیفیت موجود |
| GMB | Thailand | خوب | دوام بالا |
| Meyle HD | Germany | بسیار خوب | لایه تقویتی قوی |
| Local EPDM | Iran | اقتصادی | مناسب خودروهای کارکرده |
7) نکات نصب حرفهای
• موتور کاملاً سرد باشد
• دهانه واترپمپ و رادیاتور پاک و بدون زنگزدگی باشد
• از بست استیل مرغوب استفاده شود
• خم اصلی شیلنگ باید بدون فشار یا لمس با سینی جلو قرار گیرد
• بعد از نصب، سیستم هواگیری کامل انجام شود